HD Front Lighting, Mount, and Switching Planning - Non-Bison OEM Bumper

@Leonidas Thanks for sharing, I really like the look without the RCR cover. If I don't like the look once I get the Auxbeam, I may return and grab that one.
 
Hi,
I cut in 2 flush mount lights into the bumper and also mounted a light bar behind the grill. The mounting of the light bar was straight forward by installing 2 nut-certs (One hole was a factory hole and I drilled the other) into the Core Support horizontal bracket to mount the "L" brackets for the lightbar. I also removed the lower 2 radiator louvers to add the needed clearance which are easy to pull out without damaging anything. It looks very stock at first glance.

I did the flush mount lights in the rear bumper too along with rear bumper step lights and Bed Lights-

Blessings
 

Attachments

  • Behind the grill lights.webp
    Behind the grill lights.webp
    65.3 KB · Views: 217
  • Rear Bumber Lights.webp
    Rear Bumber Lights.webp
    74.7 KB · Views: 212
  • Step Bumber Light.webp
    Step Bumber Light.webp
    72.8 KB · Views: 176
  • Bed Lights.webp
    Bed Lights.webp
    129.5 KB · Views: 189
Grabbed a pair of Nacho Grande SAEs having Northridge price match ARB's black Friday sale, also got a free deflator out of the deal.

GODZ is out of business so SOL there. Once I get the lights, I'll be able to start mocking up the mounting system.
 
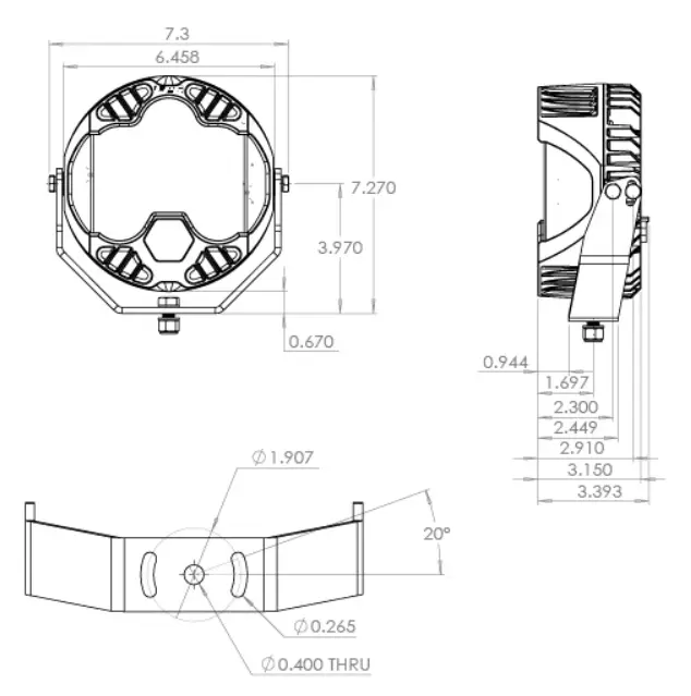
In todays edition of "Why Is This Idiot Spending So Much Time Analyzing This?"... I present dimensions and pricing.

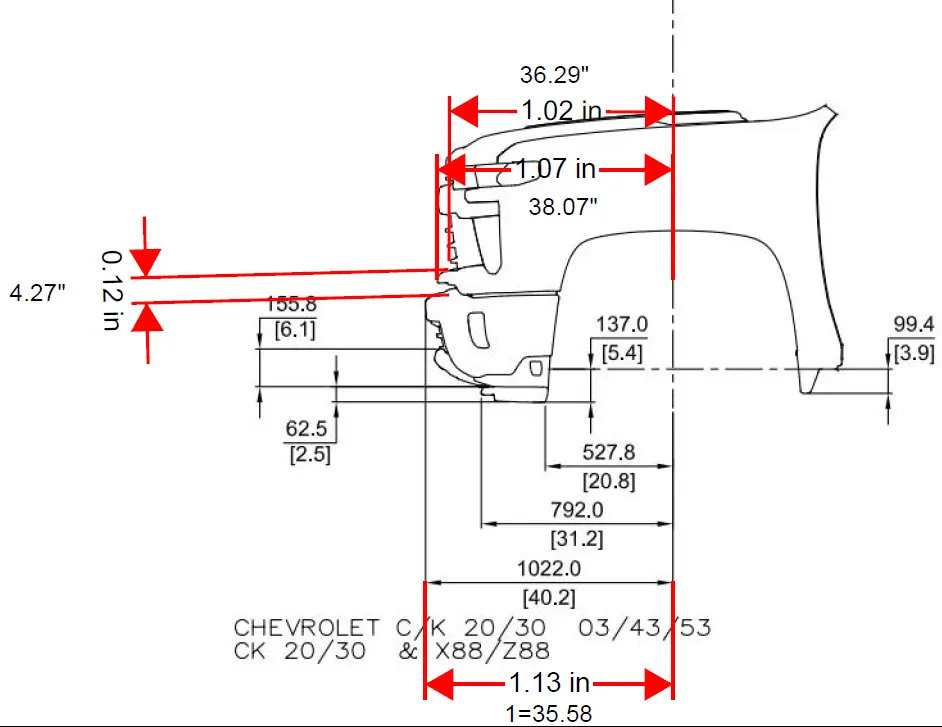
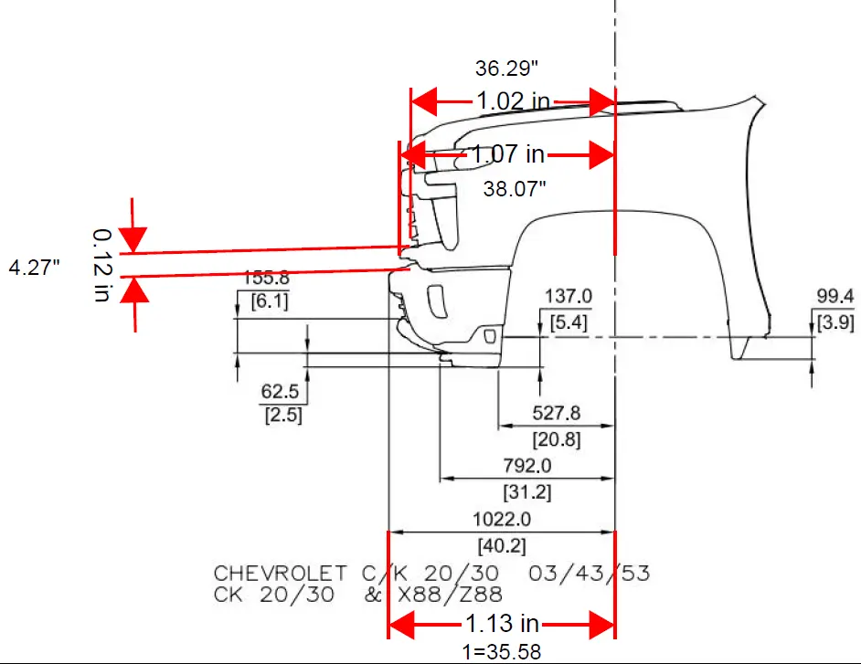
Front clip:
View attachment 17502

Pricing:
View attachment 17503

Dims:

EDIT: Was able to find a discount on the Nacho's
Definitely not a fan of the round ones... Settled for RC wide angle . Happy with them.
 

Attachments

  • 20250216_204055.webp
    20250216_204055.webp
    305 KB · Views: 133
I don’t have the active grill shutters on mine so I used that crossmember to mount 2 Rigid E Series 10” bars in that spot. 1 is a Flood pattern on the passenger side and the on on the driver side is a spot pattern. They’re centered in the lowest section of the grill openings and wired into my upfitter 1 and 2 switches below the radio. I also have a set of Rigid D series flood cubes mounted off the bottom of the leaf hangers in the rear that are triggered by the reverse lights or I can manually turn them on with switch 4 on the upfitter switch.
 

Attachments

  • IMG_1552.webp
    IMG_1552.webp
    137.9 KB · Views: 98
  • IMG_1550.webp
    IMG_1550.webp
    68.3 KB · Views: 103
  • IMG_1549.webp
    IMG_1549.webp
    105.2 KB · Views: 100
  • IMG_1547.webp
    IMG_1547.webp
    129.2 KB · Views: 84
  • IMG_1546.webp
    IMG_1546.webp
    118.8 KB · Views: 88
  • IMG_1545.webp
    IMG_1545.webp
    178.4 KB · Views: 98
  • IMG_1544.webp
    IMG_1544.webp
    218.6 KB · Views: 105
An update for everyone, unfortunately the Nachos and the switch kit have been sitting on the work bench for a couple months. Fortunately, during that time I was introduced to the owner of Off Road Concepts when they recently relocated to NC. I'll post renderings if he gives me permission, but we should have a quality US made light mount bar option very soon.
 
here’s the renderings, mock up has been measured and test fit on my buddy’s 25 3500 sierra.
 

Attachments

  • IMG_4029.webp
    IMG_4029.webp
    18.4 KB · Views: 97
  • IMG_4028.webp
    IMG_4028.webp
    19.6 KB · Views: 83
  • IMG_4027.webp
    IMG_4027.webp
    17.5 KB · Views: 82
  • IMG_4032.webp
    IMG_4032.webp
    23 KB · Views: 97
  • IMG_4031.webp
    IMG_4031.webp
    20.1 KB · Views: 85
  • IMG_4030.webp
    IMG_4030.webp
    22.1 KB · Views: 93
Looking pretty damn good!
Yeah, I really like his bar end cap/gusset design.

They design in house and are made in the USA. These won't be cheapo Chinese parts. I told him we (24+ HD truck owners) aren't cheap asses but I told him no one would buy them at the current competitions price (~$900 shipped).
 
Yeah, I really like his bar end cap/gusset design.

They design in house and are made in the USA. These won't be cheapo Chinese parts. I told him we (24+ HD truck owners) aren't cheap asses but I told him no one would buy them at the current competitions price (~$900 shipped).
Yeah the lights some are spendy, so add in labor and materials and it adds up fast.
 
That's exactly what I want for my 1500! Do they have a website?
They do, but this is a bit of a one off project. They build Jeep bumpers, I got him drunk after a Jeep event and convinced him to do this, lol. If this one sells, I'm sure he'll be interested in expanding similar offerings.

 
Got my amber lens covers today for my 10” bars. Debating if I should keep them on or just put them on when it’s going to be foggy. Part of me loves the look of the amber covers and part of me doesn’t lol.
 

Attachments

  • IMG_1573.webp
    IMG_1573.webp
    199.1 KB · Views: 83
  • IMG_1574.webp
    IMG_1574.webp
    96.8 KB · Views: 91
  • IMG_1575.webp
    IMG_1575.webp
    138.7 KB · Views: 99
Where did you get the grill amber lights and the brackets? Thanks
Sorry I missed your post. If you mean the small ambers I bought these. Really nice lights and nice color. The mount with 3m tape. Super light, zero issues and nice folks at the company.
 

Latest Posts

Back
Top